阀门井是市政工程领域的常见构筑物,广泛使用于给水管网中。阀门井由井座、井筒和并盖及其配件组成。由于传统井盖无法快速实现空气的排出或吸入,当输水管道产生正、负水锤时,无法满足空气阀需要快速排气和吸气的要求,影响输水管道的运行安全。此外,空气阀排气还可能将井盖顶起,造成安全生产事故。因此,传统井盖并不适用于安装有空气阀的阀门井使。
本产品专门为安装有排气阀的检查井研发,排气阀可通过本产品快速吸排气,保证输水管道安全。此外,本产品具有防盗功能,可以尽最大限度地保障产品自身及检查井内设备的安全。

1)国家专利产品,专门针对安装有空气阀的检查井研发;
2)可直接更换原有井盖,无需对检查井进行改造;
3)具有防盗、保温和快速吸、排气功能,适用于低温寒冷地区;
关闭状态:呼吸型井盖内筒底板在弹簧作用下保持与内筒筒壁之间的密闭,同时,盖板在重力作用下将底板上的通气孔封闭。
排气状态:当阀门井内安装有空气阀时,由于空气阀排气,环形盖板在井内压力作用下被顶起,有压气体依次经一系列的排气孔排出阀门井。
吸气状态:当阀门井内安装的空气阀吸气时,在负压作用下,弹簧被压缩底板高度降低,与内筒筒壁之间形成空隙,空气依次经排气孔吸入阀门井。



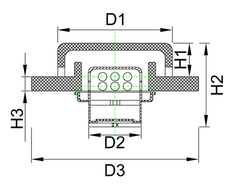
位置 | 尺寸(mm) | 位置 | 尺寸(mm) |
D1 | 480 | H1 | 140 |
D2 | 根据所采用排 气阀尺寸确定 | H2 | 350 |
D3 | 700 | H3 | 60 |

1)钢材、水泥、砂浆、石、外加剂、掺和剂等的质量应满足检查井施工要求。商用混凝应符合相关规范、标准要求。
2)检查井、管基础的施工应遵照施工程序,按标准施工。井壁强度达到设计要求后方可进行井周回填,回填压实度应满足相应规范要求。
3)安装呼吸型井盖前应首先对检查井的施工质量进行检查,保证强度符合设计要求,并对清理安装位置残留的杂物,保证安装位置的整洁。
4)呼吸型井盖安装过程中,应受力均匀,避免损坏。
5)呼吸型井盖与井筒周围用1:1.5水泥砂浆勾缝,保证凭证。